Electrolux Dishwasher leaking
Issue
- Small leak from the dishwasher door
- Leaks under the dishwasher during use
- Water (of foam) comes out of the door at the bottom or front
- Water below the dishwasher
- Dishwasher displays error code i30 - water leak detected
Applies to
- Dishwasher
Solution
Possible causes
Spray arm rotation impeded or large item deflecting water jet
- Check the spray arms are not damaged and are clean and free of debris
- Check the filters and clean and clear of debris.
- Occasionally a large item may block or impede the spray arm rotation.
Check the loading and ensure the spray arms can rotate freely and that no unusually large item is either blocking movement or perhaps deflecting water spray into a corner of the dishwasher, or back onto the internal door panel.

Note: Deactivate the appliance and disconnect the mains plug from the socket before checking the following:
The dishwasher is not levelled correctly
- Check the appliance is levelled correctly with a spirit level.
- Loosen or tighten the adjustable feet (if applicable).
- The appliance door is not centred on the tub. Adjust the rear foot (if applicable).
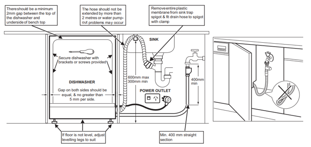
There is a kink, blockage or disconnection in the inlet or outlet hose installation
- Check the water inlet and drain hose installation.
- Follow each hose to ensure there are no kinks, disconnections or damage visible

Important Note: If the water inlet hose or drain hose is damaged, immediately close the water tap and disconnect the mains plug from the mains socket. Contact the Authorised Service Centre to replace the water inlet hose
Inlet water supply must be within the limits specified
- Water pressure: 1000 kPa max - 50 kPa min.
- Water flow rate 10 L / minute min.
- If water pressure is in excess of 1000 kPa, a pressure reducing valve should be used.
- If water temperature is in excess of 60° C, a tempering valve should be used.
Contact an Authorized Service Centre.
If the above steps don't resolve the issue, we recommend contacting an Authorized Service Center.
Electrolux Book a Service
Was this article helpful?
Related Articles
- Unpleasant odour in the dishwasher
- How to prevent limescale build-up in the dishwasher
- Electrolux Dishwasher not cleaning properly
- Electrolux Dishwasher does not dry or dries poorly
- How to load and unload the dishwasher?
- How to clean and maintain your Electrolux dishwasher
- Dishwasher Tablets Do Not Fully Dissolve / Left In the Base
- Dishwasher not cleaning properly
- Dishwasher leaves white-coloured stripes or bluish coating on glass and crockery
- Dishwasher leaves white residue on dishes and cutlery
In Warranty Service & Repair
Need to arrange a repair technician visit? Repairs under warranty are free of charge and we are here to support you after your warranty has expired. Authorised Technicians and genuine parts for complete peace of mind.